Medium-voltage reactive power compensation device-SETBB
1、產品概述
高壓無功補償裝置適用于3~35kV工頻三相交流電力系統中,基于母線電壓以及系統無功功率的需求,自動控制電容器組的投切,改善母線電壓,提高系統功率因數,降低線路損耗,提高輸配電系統的設備的使用效率。
高壓無功補償裝置具備結構緊湊、占地面積小、通用化設計、便于維護、可靠性高等特點,可廣泛應用于變電站、城市電網以及農村電網的建設當中。
2、執行標準
GB50227-2008 并聯電容器裝置設計規范
GB/T11024.1 并聯電容器第1部分
GB311.1 高壓輸變電設備的絕緣配合
DL/T840 高壓并聯電容器使用技術條件
DL/T604 高壓并聯電容器裝置訂貨技術條件
JB/T7111 高壓并聯電容器裝置
3、產品特點
? 1.1倍額定電壓情況下可長期運行;
? 1.3倍額定電流情況下可長期運行;
? 采用循環投切的控制邏輯,有效延長電容器組使用壽命;
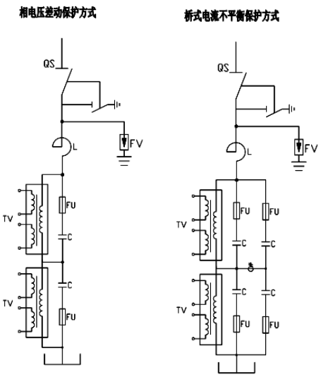
? 保護功能完善:具備內熔絲保護、外熔斷器保護、不平衡保護(零序電壓保護、中性線差流保護、差壓保護、橋差保護)、過流保護、過流速斷保護、過壓保護、失壓保護、過負荷保護、單相接地保護等;
? 每相電容實測值與標稱值之比不超過0~5%,相間最大電容和最小電容之比不超過1.02;
? 每相電抗值不超過三相電抗平均值的±2%;
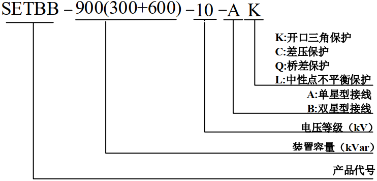
4、產品命名

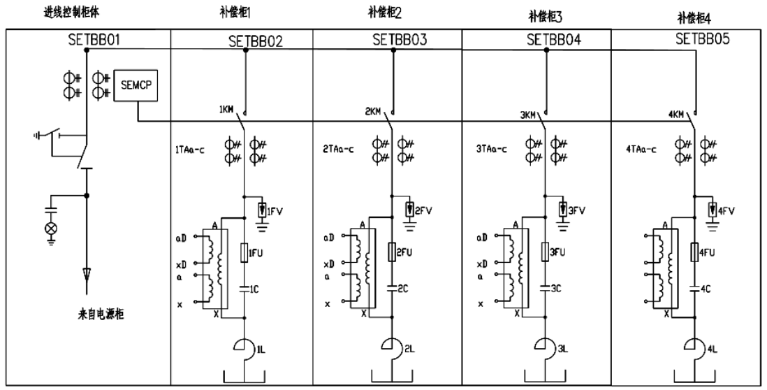
5、裝置構成
裝置主要由下面這些主要部件組成:并聯電容器及其支架、串聯電抗器、隔離(接地)開關、氧化鋅避雷器、熔斷器、放電線圈、放電計數器、投切裝置、母線、支撐劇院自、連接線纜等構成,主要器件功能描述如下:
? 并聯電容器
并聯電容器是整個裝置的核心元件,為系統提供無功功率;
? 串聯電抗器
串聯電抗器與電容器串聯運行,旨在保護電容器,改善電壓波形,起到抑制高次諧波和降低合閘涌流的作用;
? 隔離接地開關
裝置分閘后,設置明顯斷開點,并把母線直接接地及防止前級斷路器意外合閘,確保人身安全;
? 氧化鋅避雷器
限制電容器組在投切過程中產生的過電壓,保護電容器安全運行;
? 放電線圈
保證電容器退出運行后,電容器組剩余電壓的峰值降低至50V以下;
6、典型一次接線圖



注:以上接線圖均為電抗器前置(后置圖略),柜體內的投切開關、保護等器件都可接受客戶定制。
7、使用環境
(1)、海拔高度:≤2000m;
(2)、溫度:戶外-40℃~+45℃、戶內-25℃~+40℃;
(3)、抗震強度:8級;
(4)、安裝場所:無劇烈的機械振動、無導電性或爆炸性塵埃、無有害氣體和蒸汽;
(5)、安裝場所:戶外或戶內 ;